Our Hotline

1700-818-431

Fax Us By Email

unicron@unicron-eng.com

Write To Us

unicron@unicron-eng.com

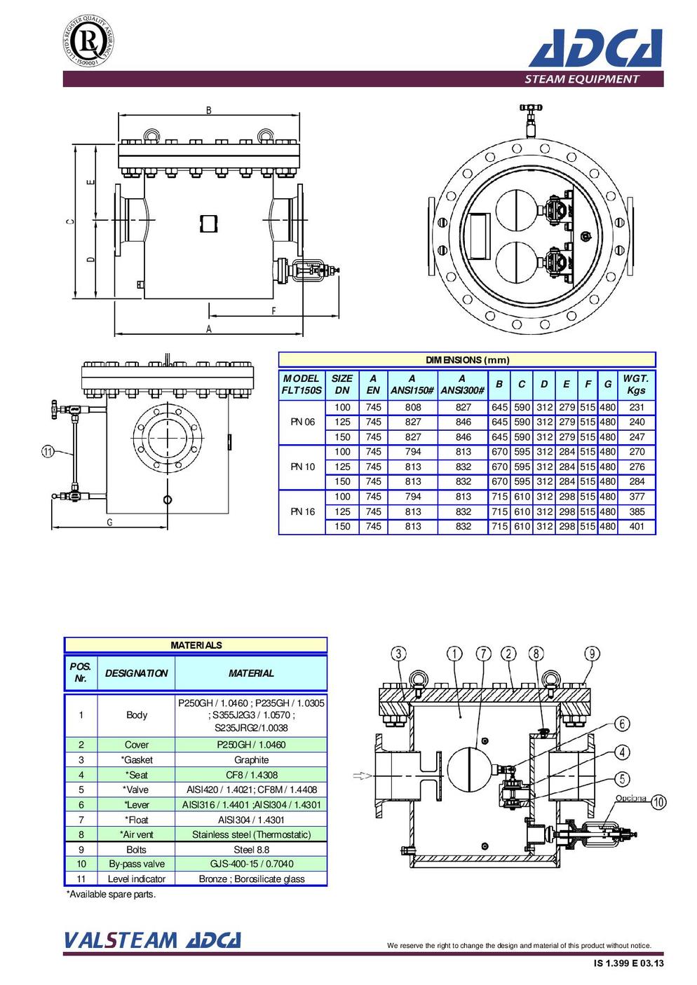
HIGH CAPACITY FLOAT AND THERMOSTATIC STEAM TRAPS (DN100 – DN150)

Model No : FLT150S
Description
FLT150S float and thermostatic (integral air vent) steam traps series are designed for all types of low and medium pressure steam heating and process equipment.
Typical applications include unit heaters, heat exchangers, driers, jacketed vessels and all the applications where continuous drainage is essential.
Specially designed for sugar and alcohol refineries and where extremely high flow rates are involved.
Connections are flanged.

admin

About admin